Remeber:
This is the circuit for a “charge amplifier”:
- ==An operational amplifier with capacitive feedback==.
- If we ignore :
- If we consider :Where: .
- Source: Wikipedia
Take for example the output of a piezoelectric ultrasonic transducer, it’s a charge:Described in “piezoelectric actuators” and “ultrasonic tranducers”. This charge is then converted to a voltage. To aid to this conversion, some special kind of amplifiers, called charge amplifiers where developed: ==“A charge amplifier is an electronic current integrator, that produces a voltage output proportional to the integrated value of the input current”==. This is effectevely a measurement of the electrical input charge:Source: Youtube.
Advantages of a charge amplifier:
- The output voltage is proportional to the charge produced by the piezoelectric transducer.
- The amount of charge present is not affected by the cable capacitance.
- The sensititivity as well as the time constant are independent of the capacitance of the crystal, and aslo that of the connecting cables.
Disadvantages of a charge amplifier:
- The signal to noise ratio (SNR) tends to be small.
- The natural frequency of the transducer is reduced due to loss of stiffness caused by what amounts to a short circuit across the crystall.
Source: Youtube.
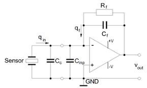
A charge amplifier is often used with a piezoelectric sensor. Here’s a simple scheme: (Source: Wikipedia)
- The sensor is a piezoelectric one
- is the “cable capacitance”.
- is the “inpedance capacitance”, we described it as for the AT-cut quartz.
- and are the “feedback impedance”.
- and input charge and feedback charge, also: .
- The output formula is:Where: depends on: the sensor, and the capacitances and .
- The feedback resistor discharges the capacitor.
Without the DC gain would be very high so that even the tiny DC input offset current of the operational amplifier would appear highly amplified at the output.- and set the lower frequency limit of the charge amplifier:
Here’s another version of the same circuit: (Source: Youtube)
- This version is more similar to how we discribed the AT-cut quartz, and the electric circuit for a piezoelectric accelerometer.
Memory Card




